-
KristerTôi muốn dành một chút thời gian để nói rằng tôi rất ấn tượng với kết quả của các mục tiêu laser cho đến nay. Cảm ơn bạn vì công việc và nỗ lực của bạn! Không thể chờ đợi để xem kết quả cuối cùng! -
ChrisThật tuyệt vời cảm ơn rất nhiều vì sự tương tác tuyệt vời với khách hàng Tôi ước nhiều công ty khác sẽ làm theo bạn và tương tác với khách hàng của họ. -
Yeo.Tôi đã nhận được ống kính holographic hoạt động, hiện tôi đang thử nghiệm ống kính, và nó có vẻ hoạt động tốt như được quảng cáo.Tôi đã nhận thấy một số vết bẩn hoặc dấu vân tay trên ống kính.Có một số điều nhỏ mà có thể được thay đổi hoặc cải thiện, nhưng tôi sẽ giả định chúng trong -
ryanCảm ơn bạn! độ chính xác và các thông số hoàn toàn đáp ứng mong đợi của tôi. Tôi thực sự đánh giá cao đề xuất chuyên nghiệp của bạn. -
ThomasTôi phải nói, cái nhìn holographic của anh thực sự ấn tượng... nó chắc chắn có thể cạnh tranh với EOTECH!
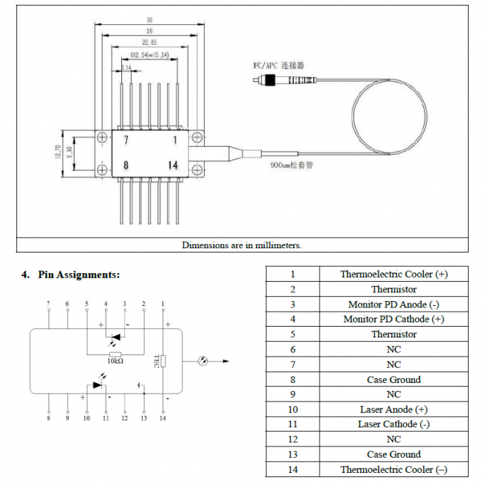
1030 nm 200 mW Single-Mode Laser Diode Butterfly Package với TEC và trình điều khiển tùy chọn
Liên hệ với tôi để lấy mẫu miễn phí và phiếu giảm giá.
WhatsApp:0086 18588475571
wechat: 0086 18588475571
Ứng dụng trò chuyện: sales10@aixton.com
Nếu bạn có bất kỳ mối quan tâm nào, chúng tôi cung cấp trợ giúp trực tuyến 24 giờ.
x| Tên sản phẩm | Mô-đun điốt laser kết hợp sợi quang gói DFB Butterfly | Bước sóng | 1030nm |
|---|---|---|---|
| Công suất đầu ra | 200,0mW | Chế độ laser | CW |
| Điện áp đầu vào | 5.0V DC | Đầu nối | FC/PC, FC/APC, SMA905 |
| Loại sợi | PM980 | Tuổi thọ | 10.000 giờ |
| Làm nổi bật | Diode laser đơn chế độ 1030 nm,Laser gói bướm 200 mW,Mô-đun laser sợi với TEC |
||
1030 nm 200 mW PM1030 Gói bướm laser diode đơn chế độ với TEC và trình điều khiển tùy chọn
Mô tả sản phẩm
CácDiode laser dòng AMLD 1030 nmlà một laser chế độ đơn hiệu suất cao được thiết kế cho các ứng dụng chính xác.chip multiquantum well (MQW)trong mộtgói bướm 14 chân kín kín, tích hợp với mộtMáy làm mát nhiệt điện (TEC),Thermistor,Photovoltaic màn hình, vàMáy cách ly quang học, đảm bảođầu ra ổn định, chiều rộng đường hẹp và độ tin cậy dài hạn.
Laser diode làSợi kết hợp với sợi duy trì phân cực PM980và hỗ trợ mộttrình điều khiển laser tùy chọn với bộ điều khiển nhiệt độ. Người lái xe cung cấpđiều khiển chính xác dòng và nhiệt độquaGiao diện RS-232vàPhần mềm điều khiển chuyên dụng, cho phép giám sát bên ngoài, hoạt động ổn định không đổi và quản lý nhiệt độ chính xác cao.
Hệ thống laser này là lý tưởng chothí nghiệm trong phòng thí nghiệm, thử nghiệm sợi quang, ứng dụng công nghiệp, và bất kỳ quá trình nào đòi hỏiđộ ổn định cao và hiệu suất lặp lại.
Thông số kỹ thuật
|
Các mục |
Các thông số kỹ thuật |
|
Số mẫu |
DFB Butterfly Package Fiber-coupled Laser Diode Module |
|
Độ dài sóng |
1030 ± 2nm |
|
Năng lượng đầu ra |
200mW |
|
Chế độ laser |
CW |
|
Tỷ lệ ức chế chế độ bên |
50dB |
|
Tỷ lệ tuyệt chủng phân cực |
≥18dB |
|
Điện áp hoạt động |
5.0V/3A |
|
Tiếng ồn tương đối |
≤-140dB/Hz |
|
Loại sợi |
PM980 |
|
Nhiệt độ hoạt động |
-20°C đến 70°C |
|
Kích thước |
30x12mm |
|
Chiều dài sợi |
1m |
|
Bộ kết nối |
FC/PC, FC/APC, SMA905 |
|
Thời gian sống |
10,000Hrs |
Đặc điểm
● Hiệu suất caođầu ra một chế độvới chiều rộng đường hẹp
●Hoạt động ổn định và đáng tin cậydưới điều kiện nhiệt độ và môi trường khác nhau
●Tích hợpTEC, thermistor và photodiode giám sátđể kiểm soát chính xác
●Dải kết nốiThiết kế để dễ dàng tích hợp vào các hệ thống quang học
●Máy điều khiển laser tùy chọn và bộ điều khiển nhiệt độ
Ứng dụng
Các mô-đun laser diode kết nối sợi DFB Butterfly Package 1030nm với TEC và trình điều khiển tùy chọn được sử dụng trong:
● Nghiên cứu khoa học:Lý tưởng cho các thí nghiệm can thiệp, quang phổ và laser trong phòng thí nghiệm đòi hỏi chiều rộng đường hẹp và đầu ra ổn định.
●Máy bơm chất tăng cường sợi:Thích hợp cho việc bơm EDFA và SOA trong khuếch đại và thử nghiệm tín hiệu quang học.
●Cảm biến sợi:Được sử dụng trong các cảm biến FBG và hệ thống cảm biến sợi phân tán (DTS / DAS).
●Công nghiệp & Xử lý laser:Áp dụng cho phép đo chính xác, hiệu chuẩn và thiết bị quang học.
●Truyền thông & Mạng quang học:Để sắp xếp, thử nghiệm và truyền tín hiệu trong hệ thống sợi quang.
Các điều khoản thương mại
1) Thanh toán: T / T, PayPal, Western Union, vv
2) Giao hàng:FedEx, DHL, UPS vv
3) Thời gian giao hàng: 5 - 20 ngày.
4) Điều khoản vận chuyển: FOB Xi'an Trung Quốc
Tại sao chọn chúng tôi
AHơn 20 năm kinh nghiệm sử dụng laser.
BCơ sở quy mô lớn 4.500 m2 và hơn 180 nhân viên chuyên nghiệp.
CSử dụng LD gốc từ Arima, Osram, Nichia, vv để đảm bảo độ tin cậy.
DĐược sản xuất trong nhà máy hệ thống chất lượng ISO9001: 2008.
ESản phẩm phù hợp với FDA, IEC và GB tiêu chuẩn.
F. Khả năng thiết kế và sản xuất mạnh mẽ, đối tác của các thương hiệu nổi tiếng.
![]()


